GU-H压力管路过滤器

作者:佳洁宝滤器 来源:www.lft-oil-filter.com 浏览:0 发布时间:2012-09-07

GU-H管路过滤器

GU-H压力管路过滤器概述:

GU-H压力管路过滤器安装在液压系统的压力管路上,用于清除或阻止液压油中混入的机械杂质和液压本身化学变化所产生的胶质,沥清质,炭渣质等,从而防止阀芯卡死、节流小孔、缝隙和阻尼孔的堵塞以及液压元件过快磨损等故障的发生。

GU-H压力管路过滤器特点:

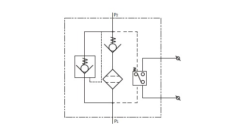
压力管路过滤器设有压差发讯器,当滤芯被污染堵塞到进出油口压差为0.35MPa时,即发出开关信号,此时应清洗或更换滤芯,以达到保证系统安全的目的。该过滤器还设有旁通止回阀,当滤芯被污染堵塞到压差为0.4MPa时,或其它原因引起过滤器进出油口压差过大.旁通阀能自动开启来保证系统,当清洗更换滤芯时,为防止系统油液回流及阴止压力管路的油液流失,避免空气和污染物质进入系统,又可以使油液反向非过滤流动,反向流量为公称流量的四分之一。
滤芯采用新型化学过滤材质,因此具有过滤精度高,通油能力大,原始压力损失小,纳污量大等优点,其过滤精度以绝对过滤精度标定,过滤比β3, 5, 10, 20>200,过滤效率n≥99.5%符合Iso标准。

过滤器参数:

型号:GU-H10x -----GU-H630x
通径:15-53mm
公称流量:10-630L/min
过滤精度:3-40um
压力:32Mpa
连接方式:管式连接  法兰连接

GU-H压力管路过滤器原理图:

GU-H过滤器型号:

GU-H10x
GU-H25x
GU-H40x
GU-H63x
GU-H100x
GU-H160x
GU-H250x
GU-H400x
GU-H630x
 
黎垣液压过滤器--推荐
CWU强磁过滤器     NJU吸油过滤器

上一篇:PLF压力管路过滤器

下一篇:ZU-H压力管路过滤器

收缩

佳洁宝滤器